TXAS1-3012B安全继电器接线图(监控安全地毯)-深圳天之行电器有限公司



安全继电器品牌_提供安全继电器工作原理及接线图-深圳天之行电器有限公司

国产安全继电器品牌

天之行官方新浪微博        

 

全国热线:0755-29841358

天之行安全继电器

联系天之行

深圳-天之行电器限公司

天之行热线:0755-29841358
天之行地址:深圳市 龙华区 大浪石凹第二工业园六栋四楼
天之行电话:0755-29841358

天之行邮箱:tianzhixing@126.com

当前位置:首页 > 接线图纸 >

TXAS1-3012B安全继电器接线图(监控安全地毯)

产品系列:接线图纸

简介:提供TXAS1-3012B安全继电器接线图.pdf下载,在监控安全地毯或者安全边沿应用场景中TXAS1-3012B安全继电器怎么接线,控制回路、主回路接线步骤包括图纸的详细介绍说明以及讲解

联系天之行联系天之行

联系天之行

       安全继电器在不同的应用场景接线方式不同

       下面介绍一下安全继电器模块在监控安全边沿或者安全地毯应用场景中的接线


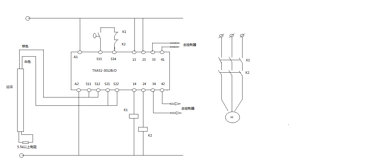
       所选产品型号为:天之行安全继电器TXAS1-3012B

       控制回路接线:


        一、四线制(两根棕线,两根白线)安全边沿或安全地毯均接入安全继电器模块模式:

        A、将一根棕线接入S11,将另一端的另一根棕线接入S12

        B、将S11同一端的一根白线接入S21,将另一根白线接入S22

        
C、若系统采用手动运行模式则S33/S34之间串接一个启动按钮和控制接触器的辅助常闭触点

        D、若系统采用自动运行模式则S33/S34串接控制接触的辅助常闭触点

        E、13接电源的正极,14接控制接触器线圈的进线端,线圈的出线端接电源负极

        F、23/24接另一路控制,接法同13/14一样

        G、33/34、41/42去控制器PLC的相应端口

TXAS1-3012B安全继电器接线图

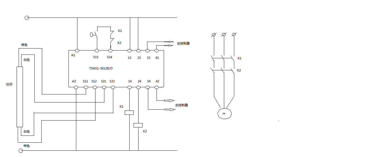
        二、四线制(两根棕线,两根白线)安全边沿或安全地毯的一根棕线一根白线接入安全继电器模块模式:

        A、将一根棕线接入S11,将同一端的白线接入S21

        B、短接S11/S12,S21/S22

        C、在
另一端的一根棕线和一根白线之间串接一个5.5K电阻

        D、若系统采用手动运行模式则S33/S34之间串接一个启动按钮和控制接触器的辅助常闭触点

        E、若系统采用自动运行模式则S33/S34串接控制接触的辅助常闭触点

        F、13接电源的正极,14接控制接触器线圈的进线端,线圈的出线端接电源负极

        G、23/24接另一路控制,接法同13/14一样

        H、33/34、41/42去控制器PLC的相应端口
TXAS1-3012B安全继电器接线图
 
        主回路的接法:

        a、串联控制接触器相应主触点,上端接电源的正极,下端接控制负载的进线端

        b、主回路需具备断路保护和热保护
 
 
        以上是TXAS1-3012B安全继电器模块在单个应用场景的接线图,那么多个应用场景组合在一起TXAS1-3012B安全继电器接线图是什么样的,该如何接线?其中接线方法涉及到安全继电器工作原理

安全继电器接线图咨询


 
        动作逻辑——控制回路和主回路接线完毕 ,检查正确后:

        1、按下启动按钮,安全继电器模块启动,控制接触器吸合,负载得电,设备正常运作

        2、若有人站上安全地毯或触碰安全边沿,安全继电器模块断开,接触器释放,断电停机


点击下载TXAS1-3012B安全继电器接线图.PDF
 
 



天之行技术客服微信号>

天之行官方新浪微博

官方微博

深圳-天之行电器限公司
公司地址:深圳市 龙华区 大浪石凹第二工业园六栋四楼
公司电话:0755-29841358

公司邮箱:tianzhixing@126.com
深圳天之行电器有限公司版权所有备案号:粤ICP备16010298号-2