推荐产品
安全继电器在不同的应用场景接线方式不同
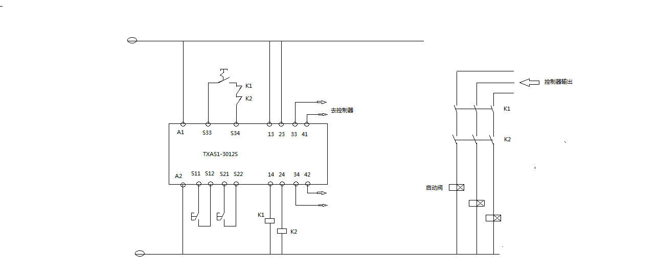
下面介绍一下安全继电器模块在监控双手启动应用场景中的接线
所选产品型号为:天之行安全继电器TXAS1-3012S
控制回路接线:
A、模块的A1/A2接直流24V电源正负端
B、S11/S12接一个启动按钮,S21/S22接另一个启动按钮
C、如果每次启动后需要接通保持,则S33/S34除串接一个启动按钮和控制接触器的辅助常闭触点外,需S33并接33;S34并接34
D、 如果每次启动后不需维持接通保持,则S33/S34只需要串接一个启动按钮和控制接触器的辅助常闭触点即可
F、13接电源的正极,14接控制接触器线圈进线端,线圈的出线端接电源负极,23/24、41/42分别接触控制器PLC相应端口。
主回路接线:
a、控制器的启动输出接控制接触器主触点的进线端,主触点的出线端接启动阀的进线端,启动阀的出线端接电源负极。
下面介绍一下安全继电器模块在监控双手启动应用场景中的接线
所选产品型号为:天之行安全继电器TXAS1-3012S
控制回路接线:
A、模块的A1/A2接直流24V电源正负端
B、S11/S12接一个启动按钮,S21/S22接另一个启动按钮
C、如果每次启动后需要接通保持,则S33/S34除串接一个启动按钮和控制接触器的辅助常闭触点外,需S33并接33;S34并接34
D、 如果每次启动后不需维持接通保持,则S33/S34只需要串接一个启动按钮和控制接触器的辅助常闭触点即可
F、13接电源的正极,14接控制接触器线圈进线端,线圈的出线端接电源负极,23/24、41/42分别接触控制器PLC相应端口。
主回路接线:
a、控制器的启动输出接控制接触器主触点的进线端,主触点的出线端接启动阀的进线端,启动阀的出线端接电源负极。
注:下图为安全继电器模块TXAS1-3012S监控双手启动的接线示例图供参考


动作逻辑——控制回路和主回路接线完毕 ,检查正确后:
1、按下启动按钮,控制接触器常闭辅助触点检测
2、同时按下左手启动按钮和右手启动按钮,两手按下动作时差不超过0.5秒,则安全继电器模块启动,控制接触器吸合,设备处于待机状态,当控制器输出工序指令后,设备按指令完成动作
3、如果两手按下动作时差超过0.5秒,则安全继电器模块不启动,设备处于未启动状态
点击下载TXAS1-3012S安全继电器接线图.PDF
1、按下启动按钮,控制接触器常闭辅助触点检测
2、同时按下左手启动按钮和右手启动按钮,两手按下动作时差不超过0.5秒,则安全继电器模块启动,控制接触器吸合,设备处于待机状态,当控制器输出工序指令后,设备按指令完成动作
3、如果两手按下动作时差超过0.5秒,则安全继电器模块不启动,设备处于未启动状态
点击下载TXAS1-3012S安全继电器接线图.PDF




















>